Serie MLS-101
Kompakte Lösung für präzise Füllstandserfassung
Unsere vertikal montierten Levelsensoren der Serie MLS‑101 bieten eine zuverlässige Lösung zur Füllstandserfassung in Anwendungen mit begrenztem Bauraum. Sie zeichnen sich durch einfache Integration, berührungslose Funktion und hohe Beständigkeit aus – ideal für den Einsatz in kompakten Systemen und anspruchsvollen Umgebungen.
Sie benötigen eine individuelle Lösung?
• Messprinzip
• Abmessungen und Form
• Materialien
• Messbereich und Auflösung
• Temperaturbereich
• Montage und Formfaktor
• Anschlusstypen
• Integrierte Funktionen
Anwendungsbereiche
Füllstandsüberwachung, Überlaufschutz, Trockenlaufschutz
Features
Schwimmerschalter auf Reed-Basis
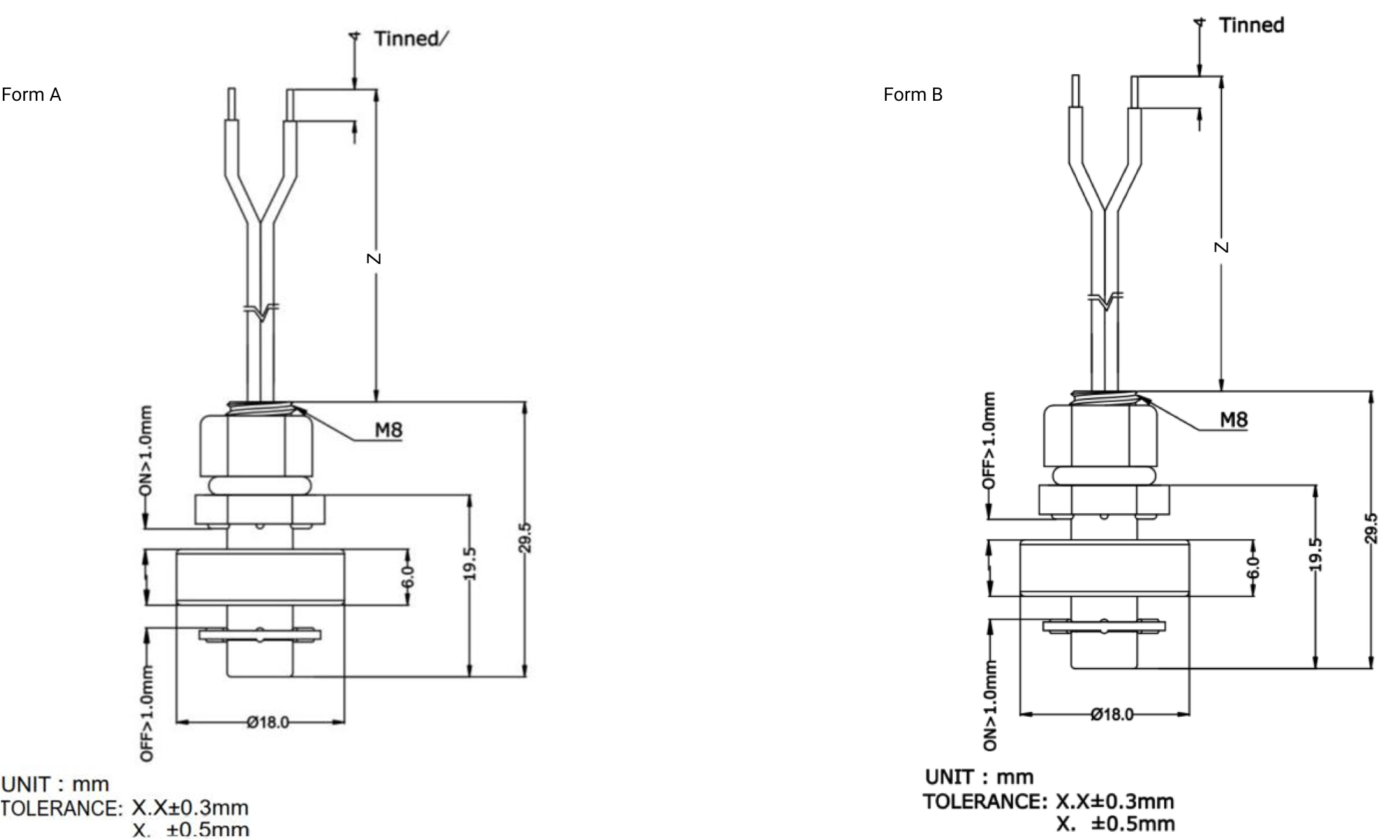
Form-A oder Form-B erhältlich
Kundenspezifische Anpassungen möglich
Montage von innen
Eigenschaften der Serie
Produktinfos der Baureihe
Ein Schwimmerschalter auf Reed-Basis, der sowohl als Öffner als auch als Schließer konfiguriert werden kann. Erhältlich in unterschiedlichen Kabellängen sowie mit verschiedenen Steckeroptionen, bietet er flexible Einsatzmöglichkeiten für diverse Anwendungen.
Abmessungen: M8 × 29.5 mm
Kontaktform: A/B
Arbeitstemperatur: –20 °C … +80 °C
Material: PP
Schaltleistung: 10 W
Schaltstrom: 0.5 A
Dauerstrom: 1.0 A
Spannungsfestigkeit: 250 VDC
Zulassung
REACH; RoHS
Eigenschaften der Varianten
Abmessungen: M8 × 29.5 mm
Eintauchtiefe: 19.5 mm
| MLS‑101 -1A | MLS‑101 -1B | |||
|---|---|---|---|---|
| Arbeitstemperatur | –20 °C … +80 °C | –20 °C … +80 °C | ||
| Empfindlichkeit | 24 AT | 24 AT | ||
| Schaltleistung | 10 W | 10 W | ||
| Schaltstrom | 0.5 A | 0.5 A | ||
| Schaltspannung VDC | 200 VDC | 200 VDC | ||
| Schaltspannung VAC | 140 VAC | 140 VAC | ||
| Dauerstrom | 1.0 A | 1.0 A | ||
| Spannungsfestigkeit | 250 VDC | 250 VDC | ||
| Kleinmengen & Muster | Bitte direkt anfragen | |||
| MLS‑101 -1A | MLS‑101 -1B | |||
|---|---|---|---|---|
| Arbeitstemperatur | –20 °C … +80 °C | –20 °C … +80 °C | ||
| Empfindlichkeit | 24 AT | 24 AT | ||
| Schaltleistung | 10 W | 10 W | ||
| Schaltstrom | 0.5 A | 0.5 A | ||
| Schaltspannung VDC | 200 VDC | 200 VDC | ||
| Schaltspannung VAC | 140 VAC | 140 VAC | ||
| Dauerstrom | 1.0 A | 1.0 A | ||
| Spannungsfestigkeit | 250 VDC | 250 VDC | ||
| Kleinmengen & Muster | Bitte direkt anfragen | Bitte direkt anfragen |
◀ Tabelle bitte seitlich scrollen ▶
