Serie MMS-102
Präzision im Flachgehäuse
Unsere Reedsensoren im Flachgehäuse der Serie MMS 102 bieten eine zuverlässige Lösung für platzsparende Anwendungen und gewährleisten präzise Ergebnisse in anspruchsvollen Einsatzbereichen.
Sie benötigen eine Individuelle Lösung?
Individuelle Anpassungen:
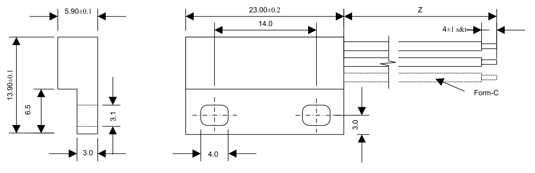
• Abmessungen und Form
• Magnetische Empfindlichkeit
• Betriebstemperatur
• Anschlusstypen
• Gehäusematerial
• Montage / Modifikation
Anwendungsbereiche
Positionskontrolle, Berührungsloses Schalten
Features
Magnetisch betriebener Näherungssensor
Individuell definierte Empfindlichkeit
Schraubmontage
Kundenspezifische Anpassungen möglich
Kann durch Nichteisenwerkstoffe, z. B. Holz, Plastik oder Aluminium, betrieben werden
Eigenschaften der Serie
Ein Reedkontakt-basierter Magnetsensor mit einem Schließer, Öffner oder Umschaltkontakt und kleiner Hysterese. Das Gehäusedesign ermöglicht eine Schraub- oder Klebemontage. Verfügbar mit unterschiedlichen Kabellängen sowie Empfindlichkeits- und Steckeroptionen.
Kabelausgang: rechts
Zulassung
REACH; RoHS
Eigenschaften der Varianten
Kabelausgang: rechts
| MMS-102 -1 | MMS-102 -2 | MMS-102 -4 | MMS-102 -5 | MMS-102 -9 | |
|---|---|---|---|---|---|
| Kontaktform | A-Schließer | A-Schließer | B-Öffner | C-Umschalter | A-Schließer |
| Arbeitstemperatur | –20 °C … +105 °C | –20 °C … +105 °C | –20 °C … +105 °C | –20 °C … +105 °C | –20 °C … +105 °C |
| Empfindlichkeit | 7 … 30 AT | 15 … 30 AT | 10 … 35 AT | 10 … 35 AT | 7 … 30 AT |
| Schaltleistung | 10 W | 10 W | 5 W | 5 W | 10 W |
| Schaltstrom | 0.5 A | 0.4 A | 0.25 A | 0.25 A | 0.5 A |
| Schaltspannung VDC | 200 VDC | 200 VDC | 175 VDC | 175 VDC | 200 VDC |
| Schaltspannung VAC | 140 VAC | 265 VAC | 125 VAC | 125 VAC | 140 VAC |
| Dauerstrom | 1.0 A | 1.4 A | 1.5 A | 1.5 A | 1.0 A |
| Spannungsfestigkeit | 250 VDC | 400 VDC | 200 VDC | 200 VDC | 200 VDC |
| Kleinmengen & Muster |
|
|
|
| MMS-102 -1 | MMS-102 -2 | MMS-102 -4 | MMS-102 -5 | MMS-102 -9 | |
|---|---|---|---|---|---|
| Kontaktform | A-Schließer | A-Schließer | B-Öffner | C-Umschalter | A-Schließer |
| Arbeitstemperatur | –20 °C … +105 °C | –20 °C … +105 °C | –20 °C … +105 °C | –20 °C … +105 °C | –20 °C … +105 °C |
| Empfindlichkeit | 7 … 30 AT | 15 … 30 AT | 10 … 35 AT | 10 … 35 AT | 7 … 30 AT |
| Schaltleistung | 10 W | 10 W | 5 W | 5 W | 10 W |
| Schaltstrom | 0.5 A | 0.4 A | 0.25 A | 0.25 A | 0.5 A |
| Spannungsfestigkeit | 250 VDC | 400 VDC | 200 VDC | 200 VDC | 200 VDC |
| Schaltspannung VAC | 140 VAC | 265 VAC | 125 VAC | 125 VAC | 140 VAC |
| Dauerstrom | 1.0 A | 1.4 A | 1.5 A | 1.5 A | 1.0 A |
| Kleinmengen & Muster |
|
|
|
◀ Tabelle bitte seitlich scrollen ▶
Passend dazu
Aktivierungsmagnet

MMA-102
L 23 × B 13.9 × H 5.9 mm

MMA-104
L 28 × B 19 × H 6.9 mm

MMA-105
L 37 × B 13 × H 8 mm

MMA-110
L 19 × B 11.3 × H 4.5 mm

MMA-113
L 32 x B 10 x H 6,2 mm

MMA-115
L 22 × B 13 × H 4.5 mm

MMA-116
L 89.5 × B 20 × H 16 mm

MMA-117
L 25 × B 14 × H 6.4 mm
