Serie MMS-105
Präzision im Flachgehäuse
Unsere Reedsensoren im Flachgehäuse der Serie MMS 105 bieten eine zuverlässige Lösung für platzsparende Anwendungen und gewährleisten präzise Ergebnisse in anspruchsvollen Einsatzbereichen.
Sie benötigen eine Individuelle Lösung?
Individuelle Anpassungen:
• Abmessungen und Form
• Magnetische Empfindlichkeit
• Betriebstemperatur
• Anschlusstypen
• Gehäusematerial
• Montage / Modifikation
Anwendungsbereiche
Positionskontrolle, Berührungsloses Schalten
Features
Magnetisch betriebener Näherungssensor
Individuell definierte Empfindlichkeit
Schraubmontage
Kundenspezifische Anpassungen möglich
Kann durch Nichteisenwerkstoffe, z. B. Holz, Plastik oder Aluminium, betrieben werden
Eigenschaften der Serie
Produktinfos der Baureihe
Ein Reedkontakt-basierter Magnetsensor mit einem Schließer-, Öffner- oder Umschaltkontakt.
Das Gehäuse eignet sich für Schraub- oder Klebemontage und ist mit verschiedenen Kabellängen, Empfindlichkeiten und Steckern erhältlich.
Der Sensor lässt sich durch Nichteisenwerkstoffe wie Holz, Kunststoff oder Aluminium aktivieren.
Empfindlichkeit und Ausführung können individuell angepasst werden. Ideal für Positionskontrolle und berührungsloses Schalten.
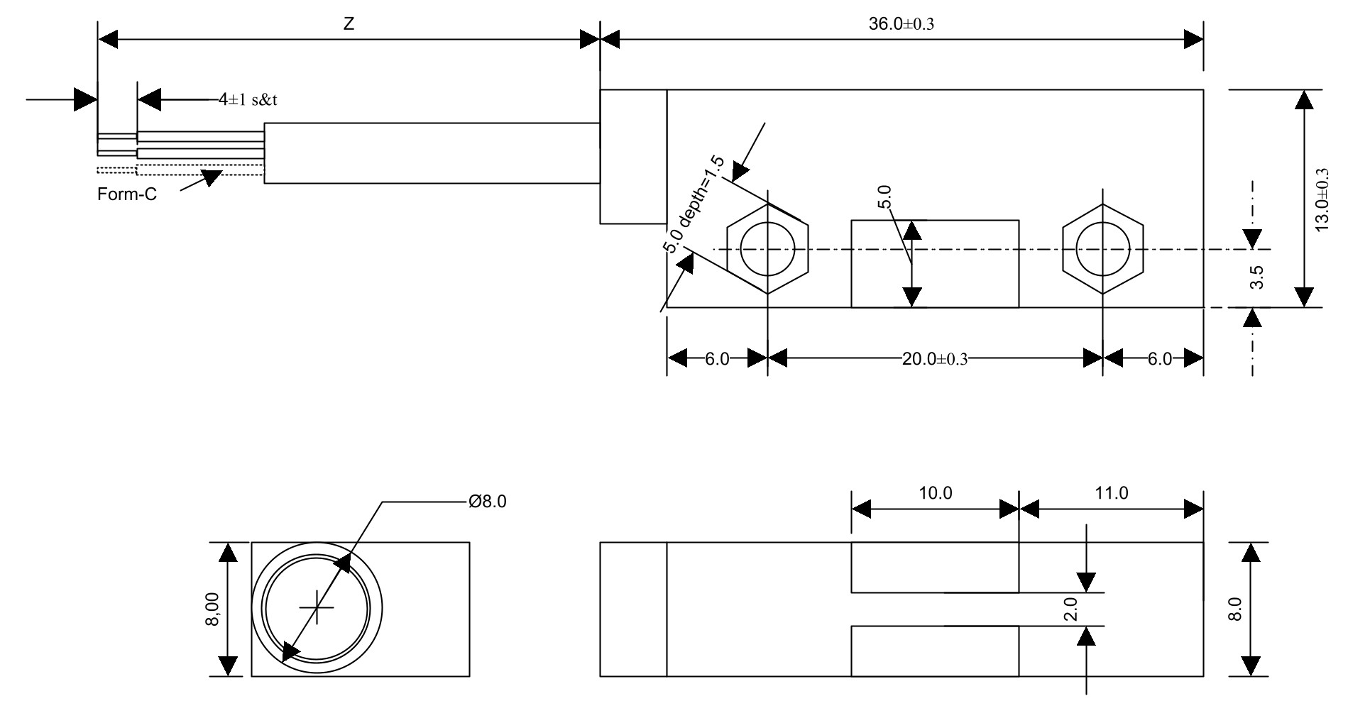
Abmessungen: L 37 × B 13 × H 8 mm
Kabelausgang: links
Kontaktform: A/B/C
Arbeitstemperatur: –20 °C … +105 °C
Empfindlichkeit: 7 … 40 AT
Schaltleistung: 5 W … 50 W
Schaltstrom: 0.25 A … 1.0 A
Dauerstrom: 1.0 A … 3.0 A
Spannungsfestigkeit: 200 … 2000 VDC
Zulassung
REACH; RoHS
Eigenschaften der Varianten
Abmessungen: L 37 × B 13 × H 8 mm
Kabelausgang: links
| MMS-105 -1 | MMS-105 -2 | MMS-105 -3 | MMS-105 -4 | MMS-105 -5 | MMS-105 -9 | MMS-105 -10 | |
|---|---|---|---|---|---|---|---|
| Kontaktform | A-Schließer | A-Schließer | A-Schließer | B-Öffner | C-Umschalter | A-Schließer | A-Schließer |
| Arbeitstemperatur | –20 °C … +105 °C | –20 °C … +105 °C | –20 °C … +105 °C | –20 °C … +105 °C | –20 °C … +105 °C | –20 °C … +105 °C | –20 °C … +105 °C |
| Empfindlichkeit | 7 … 30 AT | 15 … 30 AT | 15 … 40 AT | 10 … 35 AT | 10 … 35 AT | 7 … 30 AT | 15 … 35 AT |
| Schaltleistung | 10 W | 10 W | 50 W | 5 W | 5 W | 10 W | 10 W |
| Schaltstrom | 0.5 A | 0.4 A | 1.0 A | 0.25 A | 0.25 A | 0.5 A | 0.5 A |
| Schaltspannung VDC | 200 VDC | 200 VDC | 250 VDC | 175 VDC | 175 VDC | 200 VDC | 1000 VDC |
| Schaltspannung VAC | 140 VAC | 265 VAC | 265 VAC | 125 VAC | 125 VAC | 140 VAC | 265 VAC |
| Dauerstrom | 1.0 A | 1.4 A | 3.0 A | 1.5 A | 1.5 A | 1.0 A | 1.3 A |
| Spannungsfestigkeit | 250 VDC | 400 VDC | 750 VDC | 200 VDC | 200 VDC | 250 VDC | 2000 VDC |
| Kleinmengen & Muster | Bitte direkt anfragen | ||||||
| MMS-105 -1 | MMS-105 -2 | MMS-105 -3 | MMS-105 -4 | MMS-105 -5 | MMS-105 -9 | MMS-105 -10 | |
|---|---|---|---|---|---|---|---|
| Kontaktform | A-Schließer | A-Schließer | A-Schließer | B-Öffner | C-Umschalter | A-Schließer | A-Schließer |
| Arbeitstemperatur | –20 °C … +105 °C | –20 °C … +105 °C | –20 °C … +105 °C | –20 °C … +105 °C | –20 °C … +105 °C | –20 °C … +105 °C | –20 °C … +105 °C |
| Empfindlichkeit | 7 … 30 AT | 15 … 30 AT | 15 … 40 AT | 10 … 35 AT | 10 … 35 AT | 7 … 30 AT | 15 … 35 AT |
| Schaltleistung | 10 W | 10 W | 50 W | 5 W | 5 W | 10 W | 10 W |
| Schaltstrom | 0.5 A | 0.4 A | 1.0 A | 0.25 A | 0.25 A | 0.5 A | 0.5 A |
| Schaltspannung VDC | 200 VDC | 200 VDC | 250 VDC | 175 VDC | 175 VDC | 200 VDC | 1000 VDC |
| Schaltspannung VAC | 140 VAC | 265 VAC | 265 VAC | 125 VAC | 125 VAC | 140 VAC | 265 VAC |
| Dauerstrom | 1.0 A | 1.4 A | 3.0 A | 1.5 A | 1.5 A | 1.0 A | 1.3 A |
| Spannungsfestigkeit | 250 VDC | 400 VDC | 750 VDC | 200 VDC | 200 VDC | 250 VDC | 2000 VDC |
| Kleinmengen & Muster | Bitte direkt anfragen | ||||||
◀ Tabelle bitte seitlich scrollen ▶
Passend dazu
Aktivierungsmagnet

MMA-102
L 23 × B 13.9 × H 5.9 mm

MMA-104
L 28 × B 19 × H 6.9 mm

MMA-105
L 37 × B 13 × H 8 mm

MMA-110
L 19 × B 11.3 × H 4.5 mm

MMA-113
L 32 x B 10 x H 6,2 mm

MMA-115
L 22 × B 13 × H 4.5 mm

MMA-116
L 89.5 × B 20 × H 16 mm

MMA-117
L 25 × B 14 × H 6.4 mm
