Serie MMS-115
Präzision im Flachgehäuse
Unsere Reedsensoren im Flachgehäuse der Serie MMS 115 bieten eine zuverlässige Lösung für platzsparende Anwendungen und gewährleisten präzise Ergebnisse in anspruchsvollen Einsatzbereichen.
Sie benötigen eine Individuelle Lösung?
Individuelle Anpassungen:
• Abmessungen und Form
• Magnetische Empfindlichkeit
• Betriebstemperatur
• Anschlusstypen
• Gehäusematerial
• Montage / Modifikation
Anwendungsbereiche
Positionskontrolle, Berührungsloses Schalten
Features
Magnetisch betriebener Näherungssensor
Individuell definierte Empfindlichkeit
Schraubmontage
Kundenspezifische Anpassungen möglich
Kann durch Nichteisenwerkstoffe, z. B. Holz, Plastik oder Aluminium, betrieben werden
Eigenschaften der Serie
Produktinfos der Baureihe
Ein Reedkontakt-Magnetsensor mit wahlweise Schließer-, Öffner- oder Umschaltkontakt in einem flachen Gehäuse. Das Modul lässt sich per Schraub- oder Klebemontage befestigen und wird in verschiedenen Kabellängen, Empfindlichkeitsbereichen und Anschlussoptionen gefertigt.
Der Sensor wird magnetisch aktiviert, auch durch Nichteisenwerkstoffe wie Holz, Kunststoff oder Aluminium, und seine Empfindlichkeit kann kundenspezifisch angepasst werden. Ideal für präzise Positionskontrolle und berührungsloses Schalten in platzkritischen Anwendungen.
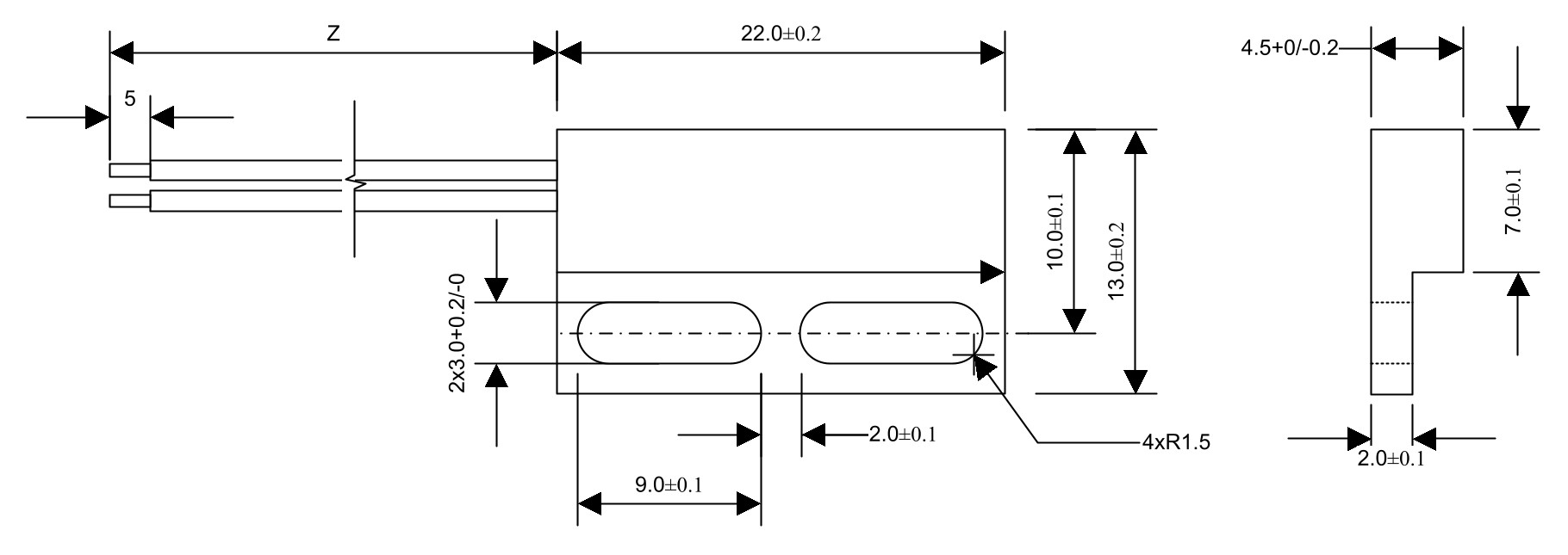
Abmessungen: L 22 mm × B 13 mm × H 4.5 mm
Kabelausgang: links
Kontaktform: A/B/C
Arbeitstemperatur: –20 °C … +105 °C
Empfindlichkeit: 7 … 35 AT
Schaltleistung: 5 W … 10 W
Schaltstrom: 0.25 A … 0.5 A
Dauerstrom: 1.0 A … 1.5 A
Spannungsfestigkeit: 200 … 400 VDC
Zulassung
REACH; RoHS
Eigenschaften der Varianten
Abmessungen: L 22 mm × B 13 mm × H 4.5 mm
Kabelausgang: links
| MMS-115 -1 | MMS-115 -2 | MMS-115 -4 | MMS-115 -5 | MMS-115 -9 | |
|---|---|---|---|---|---|
| Kontaktform | A-Schließer | A-Schließer | B-Öffner | C-Umschalter | A-Schließer |
| Arbeitstemperatur | –20 °C … +105 °C | –20 °C … +105 °C | –20 °C … +105 °C | –20 °C … +105 °C | –20 °C … +105 °C |
| Empfindlichkeit | 7 … 30 AT | 15 … 30 AT | 10 … 35 AT | 10 … 35 AT | 7 … 30 AT |
| Schaltleistung | 10 W | 10 W | 5 W | 5 W | 10 W |
| Schaltstrom | 0.5 A | 0.4 A | 0.25 A | 0.25 A | 0.5 A |
| Schaltspannung VDC | 200 VDC | 200 VDC | 175 VDC | 175 VDC | 200 VDC |
| Schaltspannung VAC | 140 VAC | 265 VAC | 125 VAC | 125 VAC | 140 VAC |
| Dauerstrom | 1.0 A | 1.4 A | 1.5 A | 1.5 A | 1.0 A |
| Spannungsfestigkeit | 250 VDC | 400 VDC | 200 VDC | 200 VDC | 200 VDC |
| Kleinmengen & Muster | Bitte direkt anfragen | ||||
| Eigenschaft | MMS-115 -1 | MMS-115 -2 | MMS-115 -4 | MMS-115 -5 | MMS-115 -9 |
|---|---|---|---|---|---|
| Kontaktform | A-Schließer | A-Schließer | B-Öffner | C-Umschalter | A-Schließer |
| Arbeitstemperatur | –20 °C … +105 °C | –20 °C … +105 °C | –20 °C … +105 °C | –20 °C … +105 °C | –20 °C … +105 °C |
| Empfindlichkeit | 7 … 30 AT | 15 … 30 AT | 10 … 35 AT | 10 … 35 AT | 7 … 30 AT |
| Schaltleistung | 10 W | 10 W | 5 W | 5 W | 10 W |
| Schaltstrom | 0.5 A | 0.4 A | 0.25 A | 0.25 A | 0.5 A |
| Schaltspannung VDC | 200 VDC | 200 VDC | 175 VDC | 175 VDC | 200 VDC |
| Schaltspannung VAC | 140 VAC | 265 VAC | 125 VAC | 125 VAC | 140 VAC |
| Dauerstrom | 1.0 A | 1.4 A | 1.5 A | 1.5 A | 1.0 A |
| Spannungsfestigkeit | 250 VDC | 400 VDC | 200 VDC | 200 VDC | 200 VDC |
| Kleinmengen & Muster | Bitte direkt anfragen | ||||
◀ Tabelle bitte seitlich scrollen ▶
Passend dazu
Aktivierungsmagnet

MMA-102
L 23 × B 13.9 × H 5.9 mm

MMA-104
L 28 × B 19 × H 6.9 mm

MMA-105
L 37 × B 13 × H 8 mm

MMA-110
L 19 × B 11.3 × H 4.5 mm

MMA-113
L 32 x B 10 x H 6,2 mm

MMA-115
L 22 × B 13 × H 4.5 mm

MMA-116
L 89.5 × B 20 × H 16 mm

MMA-117
L 25 × B 14 × H 6.4 mm
