Serie MMA-105
Kompakter Sensormagnet für vielfältige Anwendungen
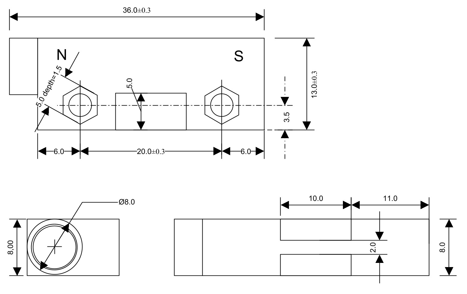
Der Sensormagnet im Flachgehäuse MMA‑105 ist robust und langlebig und eignet sich für den Einsatz in Industrie, Elektronik und Automatisierung. Dank seiner kompakten Bauform und des widerstandsfähigen Gehäuses aus PA66GF lässt er sich leicht in bestehende Systeme integrieren und flexibel per Schraub- oder Klebemontage befestigen.
Sie benötigen eine individuelle Lösung?
Individuelle Anpassungen:
• Gehäuseform
• Magnetstärke
• Material
• Gehäuseform
• Magnetstärke
• Material
Anwendungsbereiche
Positionskontrolle, Geschwindigkeitsmessung, Niveaumessung
Features
Aktivierungsmagnet
Neodym oder Ferrit
Kundenspezifische Anpassungen möglich
Eigenschaften der Serie
Produktinfos der Baureihe
Ein Neodym oder Ferrit basierter Aktivierungsmagnet. Das Gehäusedesign ermöglicht eine Schraub- oder Klebemontage. Verfügbar mit unterschiedlichen Magnetstärken und Temperaturbeständigkeiten.
Arbeitstemperatur: –20 °C … +105 °C
Gehäusematerial: PA66GF
Magnet: NdFeB N35H / Ferrit Y35
Zulassung
REACH; RoHS
Eigenschaften der Varianten
| MMA‑105 -1 | MMA‑105 -2 | |||
|---|---|---|---|---|
| Abmessungen | L 37 × B 13 × H 8 mm | L 37 × B 13 × H 8 mm | ||
| Temperaturbereich | –20 °C … +105 °C | –20 °C … +105 °C | ||
| Material | PA66GF | PA66GF | ||
| Magnettyp | NdFeB N35H | Ferrit Y35 | ||
| Montage | Schraub- oder Klebemontage | Schraub- oder Klebemontage | ||
| Kleinmengen & Muster | Bitte direkt anfragen | |||
◀ Tabelle bitte seitlich scrollen ▶
