Serie MMA-117

Kompakter Sensormagnet für präzise Anwendungen

Der Sensormagnet im Flachgehäuse MMA‑117 ist robust und langlebig und eignet sich für den Einsatz in Industrie, Elektronik und Automatisierung. Dank seiner kompakten Bauform und des widerstandsfähigen Gehäuses aus PA66GF lässt er sich leicht in bestehende Systeme integrieren und flexibel per Schraub- oder Klebemontage befestigen.

Sie benötigen eine individuelle Lösung?

Individuelle Anpassungen:
• Gehäuseform
• Magnetstärke
• Material

Anwendungsbereiche

Positionskontrolle, Geschwindigkeitsmessung, Niveaumessung

Features

Aktivierungsmagnet

Neodym oder Ferrit

Kundenspezifische Anpassungen möglich

Eigenschaften der Serie

Produktinfos der Baureihe

Ein Neodym oder Ferrit basierter Aktivierungsmagnet. Das Gehäusedesign ermöglicht eine Schraub- oder Klebemontage. Verfügbar mit unterschiedlichen Magnetstärken und Temperaturbeständigkeiten.

Arbeitstemperatur: –20 °C … +105 °C


Gehäusematerial: PA66GF


Magnet: NdFeB N35H / Ferrit Y35


Zulassung

REACH; RoHS

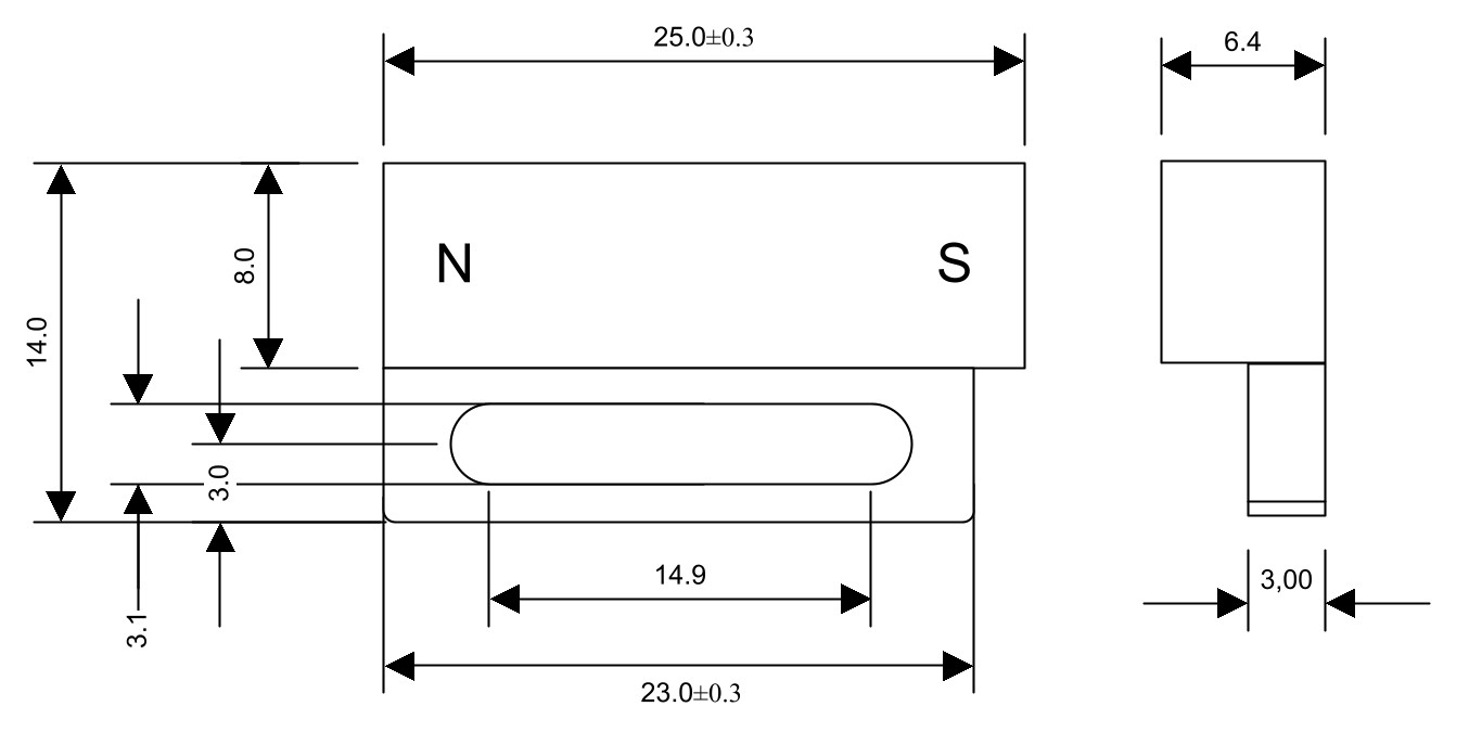
Technische Zeichnung

Eigenschaften der Varianten

MMA‑117 -1 MMA‑117 -2   
AbmessungenL 25 × B 14 × H 6.4 mmL 25 × B 14 × H 6.4 mm
Temperaturbereich–20 °C … +105 °C–20 °C … +105 °C
MaterialPA66GFPA66GF
MagnettypNdFeB N35HFerrit Y35
MontageSchraub- oder KlebemontageSchraub- oder Klebemontage
Kleinmengen & Muster Bitte direkt anfragen
Eigenschaft MMA‑117 -1 MMA‑117 -2
AbmessungenL 25 × B 14 × H 6.4 mmL 25 × B 14 × H 6.4 mm
Temperaturbereich–20 °C … +105 °C–20 °C … +105 °C
MaterialPA66GFPA66GF
MagnettypNdFeB N35HFerrit Y35
MontageSchraub- oder KlebemontageSchraub- oder Klebemontage
Kleinmengen & Muster Bitte direkt anfragen

◀ Tabelle bitte seitlich scrollen ▶